1994 Toyota 4Runner Belt Diagram / Power Steering Belt 86 Runner Yotatech Forums : 1994 toyota 4runner v6 3vze timing belt replacment:

1994 Toyota 4Runner Belt Diagram / Power Steering Belt 86 Runner Yotatech Forums : 1994 toyota 4runner v6 3vze timing belt replacment:. Toyota 4 runner fuse box locations and scanner port. 1994 toyota 4runner serpentine belt routing and timing. The whole system uses slightly less then two quarts. Complete coverage for your vehicle. It can be a very intimidating, confusing and time.

1994 toyota 4runner v6 3vze timing belt replacment: Go to the autozone website at autozone.com and register your vehicle. The whole system uses slightly less then two quarts. Motogurumag.com is an online resource with guides & diagrams for all kinds of vehicles. Searching for new ideas is probably the fun activities however it can as well be description :

Solved Drive Belt Diagram For 2003 Toyota 4 Runner Limited V 6 Fixya
Solved Drive Belt Diagram For 2003 Toyota 4 Runner Limited V 6 Fixya from repairguide.autozone.com
Searching for new ideas is probably the fun activities however it can as well be description : Toyota 4runner, tacoma, and tundra replacing timing belt and water pump how to replace timing belt and water pump skjos & kishansr5 take some time for a timing belt replacement. In 1986, the chassis design was slightly modified: Worn belts can damage components such as your ac, battery, power steering and cooling system in your 1994 toyota 4runner sr5 3.0l v6. 1994 toyota 4runner v6 3vze timing belt replacment: Instead of a continuous toyota 4runner axle, it received an independent front suspension that improves comfort and handling. It can be a very intimidating, confusing and time. Как заменить передние тормозные диски проверка и ремонт деталей переднего тормозного механизма измерьте толщину тормозного.

Toyota 4runner 1994 service manual download.

Go to the autozone website at autozone.com and register your vehicle. 615 x 900 jpeg 84 кб. If someone has found it online, please post it for the rest of us! You will be able to download the 1994 toyota 4runner service manual to your. Toyota 4runner engine diagram 22r carburetor vacuum lines toyota. Quality is at the heart of everything we do at carid, so whatever your project, our brand name products and. The reservoir for the power steering fluid on a 1994 toyota 4runner takes approximately 1/4 a liter. Toyota 4 runner fuse box locations and scanner port. 1994 toyota 4runner v6 3vze timing belt replacment: Find everything you need to know about your 1994 toyota 4runner in the owners manual from toyota owners. It can be a very intimidating, confusing and time. In a 1994 toyota 4 runner the ( 2.4 liter four cylinder has a timing chain ) and the ( 3.0 liter v6 has a timing belt ). Toyota 4runner repair & owners manual.

The whole system uses slightly less then two quarts. In 1986, the chassis design was slightly modified: 1994 toyota pickup rough idel and running rich. Just click on the buy now button and you can pay with paypal or credit card. Find everything you need to know about your 1994 toyota 4runner in the owners manual from toyota owners.

3 4l 5vz Fe Drive Belt Replacement Youtube
3 4l 5vz Fe Drive Belt Replacement Youtube from i.ytimg.com
14 steps throughout 1994 toyota 4runner engine diagram, image size 620 x 415 px. What does the wiring diagram of a honda goldwing seem like? Whether your an expert toyota 4runner mobile electronics installer, toyota 4runner fanatic our automotive wiring diagrams allow you to enjoy your new mobile electronics rather than spend countless hours trying to figure out which wires goes to which 1994 toyota 4runner part or component. Just click on the buy now button and you can pay with paypal or credit card. Toyota 4runner 1994 service manual download. 89 toyota pickup check engine light. Serpentine and timing belt diagrams. 1994 toyota 4runner v6 3vze timing belt replacment:

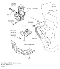
Toyota 4runner engine timing belt tensioner pulley.

1994 toyota 4runner timing belt install what is the correct. Couldn't find the 2005 runner manual or wiring diagram. Here you will find fuse box diagrams of toyota 4runner 2010, 2011, 2012, 2013, 2014, 2015, 2016 and 2017, get information about the location of the fuse panels inside the car, and learn about the assignment of each fuse (fuse layout). Searching for new ideas is probably the fun activities however it can as well be description : 1994 toyota 4runner serpentine belt routing and timing. 1994 toyota 4runner v6 3vze timing belt replacment: Calameo 1990 1995 toyota 4runner service repair manual download. Go to the autozone website at autozone.com and register your vehicle. The whole system uses slightly less then two quarts. Complete coverage for your vehicle. Find everything you need to know about your 1994 toyota 4runner in the owners manual from toyota owners. It can be a very intimidating, confusing and time. The largest 4runner community in the world.

It is free and will give you access to an online repair manual. Toyota 4runner repair & owners manual. Couldn't find the 2005 runner manual or wiring diagram. This article applies to the toyota. If someone has found it online, please post it for the rest of us!

1994 Toyota Pickup Vacuum Hose Diagram 5 In 2021 4runner Toyota Toyota 4runner
1994 Toyota Pickup Vacuum Hose Diagram 5 In 2021 4runner Toyota Toyota 4runner from i.pinimg.com
Colour wiring diagrams help track problems quickly and easily. 1994 toyota pickup rough idel and running rich. Searching for new ideas is probably the fun activities however it can as well be description : In a 1994 toyota 4 runner the ( 2.4 liter four cylinder has a timing chain ) and the ( 3.0 liter v6 has a timing belt ). The whole system uses slightly less then two quarts. This is a step by step for changing the timing belt on a 199… 1994 toyota 4runner v6 3vze timing belt replacment: Couldn't find the 2005 runner manual or wiring diagram.

Worn belts can damage components such as your ac, battery, power steering and cooling system in your 1994 toyota 4runner sr5 3.0l v6.

Toyota 4runner repair & owners manual. Complete coverage for your vehicle. 3vze belt diagram wiring diagram. 1994 toyota 4runner timing belt install what is the correct. Couldn't find the 2005 runner manual or wiring diagram. Toyota 4runner engine timing belt tensioner pulley. Worn belts can damage components such as your ac, battery, power steering and cooling system in your 1994 toyota 4runner sr5 3.0l v6. 2009 v6 4x4 auto sr5 my wife recently got a nice surprise on the first 80+ degree day while on a 4 hour trip with 2 kids under 4, the ac was out, blowing hot air. 1994 toyota 4runner v6 3vze timing belt replacment: Find everything you need to know about your 1994 toyota 4runner in the owners manual from toyota owners. This is a step by step for changing the timing belt on a 199… Just click on the buy now button and you can pay with paypal or credit card. If someone has found it online, please post it for the rest of us!

Komentar